目录
一、X44W三通旋塞阀概述:
X44W、X44T三通法兰铸铁或者球铁、铸钢旋塞阀通过压紧填料,使塞子和塞体密封面压紧,密封等级较高,三通旋塞阀大量用于中、低压管路。其主要阀体材质有铸铁、铸钢、不锈钢、铜等可适应不同管路情况。说明:三通旋塞阀的用途是安装在管道上主要作切断、分配和改变介质的主要流动方向用。三通旋塞阀适用介质为水、油、汽,无脉动工作压力。介质温度≤100℃,公称压力为0.6、1.0、1.6MPa。
二、X44W三通旋塞阀主要性能规范:
|
型号 |
公称压力 |
试验压力PS(MPa) |
适用介质 |
工作温度(℃) |
|
|
壳体 |
密封 |
||||
|
X44W-1.0 |
1.0 |
1.5 |
1.1 |
煤气、油品 |
≤100 |
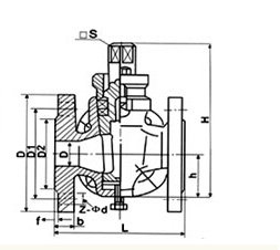
三、X44W三通旋塞阀主要尺寸:
|
公称压力 |
公称通径 |
尺寸(mm) |
|||||||
|
L |
D |
D1 |
D2 |
z-φd |
□s |
h |
H |
||
|
1.0 |
25 |
145 |
115 |
85 |
56 |
4╳φ14 |
17 |
38 |
133 |
|
32 |
170 |
135 |
100 |
78 |
4╳φ18 |
18 |
45 |
152 |
|
|
40 |
180 |
145 |
110 |
85 |
4╳φ18 |
24 |
55 |
212 |
|
|
50 |
200 |
160 |
125 |
100 |
4╳φ18 |
28 |
74 |
260 |
|
|
65 |
220 |
180 |
145 |
120 |
4╳φ18 |
32 |
82 |
295 |
|
|
80 |
250 |
195 |
160 |
135 |
4╳φ18 |
40 |
95 |
327 |
|
|
100 |
300 |
215 |
180 |
155 |
8╳φ18 |
45 |
135 |
425 |
|
|
125 |
350 |
245 |
210 |
185 |
8╳φ18 |
54 |
154 |
482 |
|
|
150 |
400 |
280 |
240 |
210 |
8╳φ23 |
62 |
172 |
512 |
|
|
200 |
450 |
335 |
295 |
265 |
8╳φ23 |
75 |
195 |
605 |
|
|
250 |
530 |
390 |
350 |
320 |
8╳φ23 |
85 |
230 |
660 |
|
|
300 |
580 |
440 |
400 |
368 |
8╳φ23 |
100 |
263 |
760 |
|
主要材质
|
零件名称 |
阀体 |
塞子 |
填料压盖 |
填料 |
|
X44W-1.0 |
铸铁 |
铸铁 |
铸铁 |
油浸石棉盘根 |
|
|
|
|
|
|
|||
![]() |
|||
|
上海柯梵阀门制造有限公司
免费电话:400-101-5069 快速处理:屈工13311600080 地址:上海市奉贤区南奉公路8589号 Add:No.8589,Nanfeng Highway,Fengxian District Shanghai. 邮箱/E-mail:shkefanvalve@163.com
|


当前位置:





