上海柯梵阀门制造有限公司 上海柯梵阀门制造有限公司 上海柯梵阀门制造有限公司 上海柯梵阀门制造有限公司
上海柯梵阀门制造有限公司
调流调压阀系列产品

目录

1、LHS942X电动活塞式调流调压阀产品概述:

  LHS942X活塞式调流调压阀采用活塞式设计,应用在项目当中能够对水力管道实现多功能控制,能够实现:水位控制、止回、减压、持压、泄压、控制量、爆管关闭、压力波动、排水等功能,在水力管道当中主管网安装此阀门能够代替各个单一功能的阀门,在工程项目当中可以立式安装也可卧式安装,主要应用在自来水管道、电厂、引水工程等介质为水的项目当中,起调节管道介质流量、及调节管网压力的作用。

2、LHS942X电动活塞式调流调压阀产品结构特征:

电动活塞式调流调压阀由前阀体、后阀体、阀杆、导流器和套筒等主要部件组成。采用不锈钢制造的导流器固定在后阀体中腔,在其表面均匀的分布有喷流孔;套筒在活套在导流器上并与阀杆连接,通过外控部件控制套筒的位置,以调节阀门过流面积。外控部件可按照工况需求采用手动、电动、气动和液动等多种形式。

3、LHS942X电动活塞式调流调压阀产品工作原理:

电动活塞式调流调压阀-于导流器上,通过导流器导引。水流从导流器外流入,经过导流器上的喷流孔形成多束水流,在阀体中腔产出碰撞,达到消能的效果;节流发生在活塞边缘与导流器的孔口之间,由于孔内水流速度很高,所以导流器选用的材质高度耐磨与抗腐蚀;同时因为碰撞发生的阀体流道中腔,有效降低了气蚀和冲刷对阀体的影响,提高阀门使用寿命。主密封圈位于导流器的前端,活塞在全行程上被导引,当被推动穿过主密封圈至全关位置时,阀门前后的差压强迫主密封圈紧贴套筒外壁实现截断。活塞通过连杆的引导在导流器内前后运动,阀杆借助曲柄与连杆传动,当执行机构驱动阀杆顺时针转动时,活塞向后移动,开启阀门;当执行机构驱动阀杆逆时针转动时,活塞向前移动,关闭阀门。

四、LT942X活塞式调流阀--主要技术参数:

公称压力

(MPa)

壳体试验压力

(MPa)

密封试验压力

(MPa)

适用介质

介质温度

(℃)

1.0

1.5

1.1

水、热水等

0~80

1.6

2.4

1.76

2.5

3.75

2.75

 五、LT942X活塞式流量调节阀主要零部件材料:

材料

零件名称

HT250、QT450-10、WCB

阀体、端盖、连杆架、法兰管、曲柄

2Cr13、1Cr18Ni9Ti

阀杆、销轴、活塞

1Cr18Ni9Ti

阀体密封圈

NBR

活塞密封圈

QT450-10

连杆

ZCuA10Fe3、ZCuzN38Mn2Pb2

轴承

NBR

填料

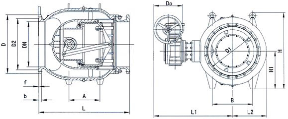
六、LTS942X活塞式流量调节阀主要连接外型尺寸:

DN

L

L1

L2

H

H1

D0

A

B

400

800

715

308

980

335

250

345

390

450

900

749

347

1100

400

250

410

440

500

1000

792

383

1180

450

300

460

500

600

1200

847

458

1250

500

300

510

600

700

1400

920

528

1390

600

300

580

700

800

1600

980

599

1530

700

360

680

800

900

1800

1030

674

1650

800

360

780

900

1000

2000

1105

744

1800

900

400

860

1000

1200

2400

1375

852

2010

1000

400

950

1130

1400

2800

1380

1031

2230

1250

400

1250

1380

1600

3200

1490

1183

2480

1450

400

1500

1600

1800

3600

1780

1325

2720

1650

400

1750

1750

2000

4000

1910

1476

2930

1850

400

2000

1950

 

 

上海柯梵阀门制造有限公司

上海柯梵阀门制造有限公司
SHANG HAI KEFAN VALVE MANUFACTURE CO.,LTD


免费电话:400-101-5069

快速处理:屈工13311600080


    
地址:上海市奉贤区南奉公路8589号
Add:No.8589,Nanfeng Highway,Fengxian District Shanghai. 
邮箱/E-mail:shkefanvalve@163.com
    


版权所有:上海柯梵阀门制造有限公司  地址:上海市奉贤区南奉公路8589号

电话:400-1015-069   浙ICP备17010567号-6   网站地图  Sitemap

友情链接:    ICP备案号:沪ICP备2021007453号-1